Step-by-step explanation:
We have 3 given inputs namely P, Q, R and we have to draw a logic circuit which will give the output 1 if , and only if, P and Q have the same value and Q and R have opposite values.
So, first of all we make a truth table for this
P Q R Output(Y)
0 0 0 0
0 0 1 1
0 1 0 0
0 1 1 0
1 0 0 0
1 0 1 0
1 1 0 1
1 1 1 0
From the truth table we can see that the output, Y can be given by

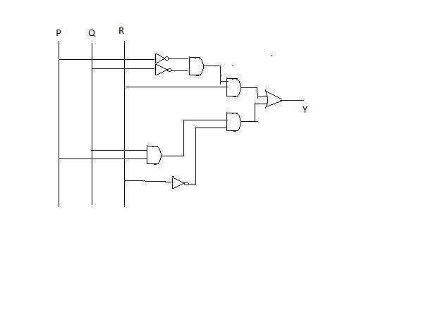
So, the logic circuit for the given logic equation can be drawn as shown fig.