1answer.
Ask question
Login Signup
Ask question
All categories
  • English
  • Mathematics
  • Social Studies
  • Business
  • History
  • Health
  • Geography
  • Biology
  • Physics
  • Chemistry
  • Computers and Technology
  • Arts
  • World Languages
  • Spanish
  • French
  • German
  • Advanced Placement (AP)
  • SAT
  • Medicine
  • Law
  • Engineering
scZoUnD [109]
4 years ago
6

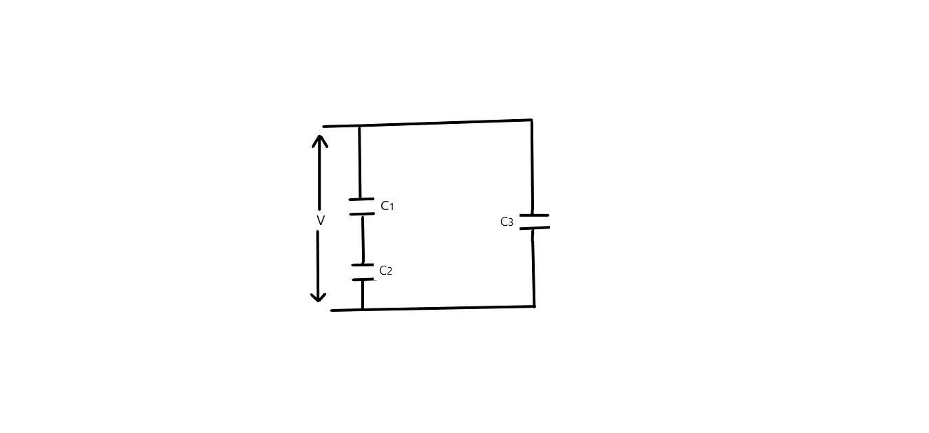
A potential difference V = 100 V is applied across a capacitor arrangement with capacitances C1 = 10.0 mF, C2 = 5.00 mF, and C3

= 4.00 mF. What are:
a. charge q3.
b. potential difference V3.
c. stored energy U3 for capacitor 3.
d. q1
e. V1
f. U1 for capacitor 1
g. q2
h. V2.
i. U2 for capacitor 2?

Physics
1 answer:
Gala2k [10]4 years ago
8 0

Given Information:

Potential difference = V = 100 V

Capacitance C₁ = 10 mF

Capacitance C₂ = 5 mF

Capacitance C₃ = 4 mF

Required Information:

a. Charge q₃

b. Potential difference V₃

c. Stored energy U₃

d. Charge q ₁

e. Potential difference V₁

f. Stored energy U₁

g. Charge q  ₂

h. Potential difference V₂  

i. Stored energy U₂

Answer:

a. Charge q₃ = 0.4 C

b. Potential difference V₃  = 100 V

c. Stored energy  U₃  = 20 J

d. Charge q ₁  = 0.33 C

e. Potential difference  V₁  = 33 V

f. Stored energy U₁  = 5.445 J

g. Charge q  ₂ = 0.33 C

h. Potential difference V₂  = 66 V

i. Stored energy U₂ = 10.89 J

Explanation:

Please refer to the circuit attached in the diagram

a. Charge q₃

As we know charge in a capacitor is given by

q₃ = C₃V₃

q₃ = 4x10⁻³*100

q₃ = 0.4 C

b. Potential difference V₃

The potential difference V₃  is same as V

V₃  = 100 V

c. Stored energy U₃

Energy stored in a capacitor is given by  

U₃  = ½C₃V₃²

U₃  = ½*4x10⁻³*100²

U₃  = 20 J

d. Charge q ₁

Since capacitor C₁ and C₂ are in series their equivalent capacitance is

Ceq = C₁*C₂/C₁ + C₂

Ceq = 10x10⁻³*5x10⁻³/10x10⁻³ + 5x10⁻³

Ceq = 3.33x10⁻³ F

q ₁ = Ceq*V

q ₁ = 3.33x10⁻³*100

q ₁ = 0.33 C

e. Potential difference V₁

V₁  = q ₁/C₁

V₁  = 0.33/10x10⁻³

V₁  = 33 V

f. Stored energy U₁

U₁  = ½C₁V₁²

U₁  = ½*10x10⁻³*(33)²

U₁  = 5.445 J

g. Charge q  ₂

q₂ = Ceq*V

q₂ = 3.33x10⁻³*100

q₂ = 0.33 C

h. Potential difference V₂  

V₂  = q ₂/C₂

V₂  = 0.33/5x10⁻³

V₂  = 66 V

i. Stored energy U₂

U₂ = ½C₂V₂²

U₂ = ½*5x10⁻³*(66)²

U₂ = 10.89 J

You might be interested in
Hakeem throws a 11.5 g ball straight down from a height of 2.0 m. the ball strikes the floor at a speed of 7.8 m/s. what was the
Sonja [21]
11.4 m/s G + H - m/s X 2
7 0
3 years ago
Which activities demonstrate reaction time the most?
Black_prince [1.1K]

Answer:

A goal keepee catering the ball in time is answer

7 0
3 years ago
Describe an experiment to determine how the frequency of a vibrating string depends on the length of the string
Ksivusya [100]

Answer:

For a vibrating string, the fundamental frequency depends on the string's length, its tension, and its mass per unit length. ... The fundamental frequency of a vibrating string is inversely proportional to its length.

Explanation:

Sounds of a single pure frequency are produced only by tuning forks and electronic devices called oscillators; most sounds are a mixture of tones of different frequencies and amplitudes. The tones produced by musical instruments have one important characteristic in common: they are periodic, that is, the vibrations occur in repeating patterns. The oscilloscope trace of a trumpet's sound shows such a pattern. For most non-musical sounds, such as those of a bursting balloon or a person coughing, an oscilloscope trace would show a jagged, irregular pattern, indicating a jumble of frequencies and amplitudes.

A column of air, as that in a trumpet, and a piano string both have a fundamental frequency—the frequency at which they vibrate most readily when set in motion. For a vibrating column of air, that frequency is determined principally by the length of the column. (The trumpet's valves are used to change the effective length of the column.) For a vibrating string, the fundamental frequency depends on the string's length, its tension, and its mass per unit length.

In addition to its fundamental frequency, a string or vibrating column of air also produces overtones with frequencies that are whole-number multiples of the fundamental frequency. It is the number of overtones produced and their relative strength that gives a musical tone from a given source its distinctive quality, or timbre. The addition of further overtones would produce a complicated pattern, such as that of the oscilloscope trace of the trumpet's sound.

How the fundamental frequency of a vibrating string depends on the string's length, tension, and mass per unit length is described by three laws:

1. The fundamental frequency of a vibrating string is inversely proportional to its length.

Reducing the length of a vibrating string by one-half will double its frequency, raising the pitch by one octave, if the tension remains the same.

2. The fundamental frequency of a vibrating string is directly proportional to the square root of the tension.

Increasing the tension of a vibrating string raises the frequency; if the tension is made four times as great, the frequency is doubled, and the pitch is raised by one octave.

3. The fundamental frequency of a vibrating string is inversely proportional to the square root of the mass per unit length.

This means that of two strings of the same material and with the same length and tension, the thicker string has the lower fundamental frequency. If the mass per unit length of one string is four times that of the other, the thicker string has a fundamental frequency one-half that of the thinner string and produces a tone one octave lower.

7 0
3 years ago
In which scenario will an athlete's wrists be under tension?
Oxana [17]

Answer:

I think the answer would be D.

Explanation:

It could be b or d, the reason that I think that it is d is because lifting does not directly involve your wrist.

Hope this helps!

6 0
3 years ago
Read 2 more answers
What amount of temperature do you need to make a metamorphic rock?
sveta [45]
Anywhere from 400 to 600 degrees Celsius  
6 0
4 years ago
Other questions:
  • g A simple pendulum (consisting of a point mass suspended by a massless string) on the surface of the earth has a period of 1.00
    15·1 answer
  • According to the Standard Model of Particle Physics, a neutrino is a type of
    13·2 answers
  • What did classical physics predict about electron flow as a result of light shining on a metal surface?
    12·2 answers
  • *PHYSICS HELP*
    15·1 answer
  • A quarter-wave monopole radio antenna (also called a Marconi antenna) consists of a long conductor of one quarter the length of
    5·1 answer
  • Please help!!!
    6·1 answer
  • What is an antonym for Atomic Mass?
    7·1 answer
  • Which would have the easiest time<br> stopping?<br><br> Dog<br> Elephant<br> Horse<br> Mosquito
    15·1 answer
  • True or false. When a girl walks the action of pushing and the equal amd opposite reaction is being projected forward
    15·1 answer
  • #1 please. I’m crying and need this done by tmr. I need you to hurry I’m so tired.
    6·1 answer
Add answer
Login
Not registered? Fast signup
Signup
Login Signup
Ask question!