Answer:
The tension in the cable
= 993.5 N
The tension in the cable
496.75 N
The tension in the cable
= 248.375 N
Explanation:
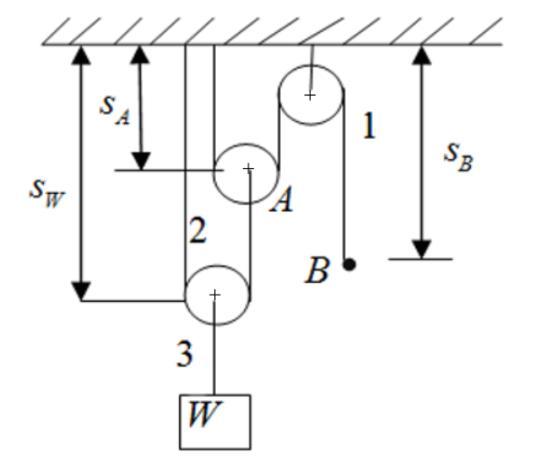
The diagram attached below depicts the full understanding of what the question is all about.
Now, obtaining the length of cable 1 from the diagram; we have:

where;
= distance from the fixed point to point B
= distance from the fixed point to pulley A
From the cable 2 as well.we obtain its length

where :
distance from the fixed point to the weight attached to the pulley
Let differentiate equation (1) in order to deduce a relation between the velocities of A and B with respect to time ;
Since
is constant ; Then:


where;
velocity at point B
= velocity at pulley A
Let differentiate equation (2) as well in order to deduce a relation between the velocities of W and A with respect to time :
Since
is constant ; Then:



where;
the velocity of the weight
Let differentiate equation (3) in order to deduce a relation between accelerations A and B with respect to time



where;
= acceleration at A
acceleration at B
Replacing 0.5 m/s ² for
in equation (5); then


Let differentiate equation (4) in order to deduce a relation between W and A with respect to time



where;
= acceleration of weight W
Replacing - 0.25 m/s² for 


From the second diagram, if we consider the equilibrium of forces acting on the cylinder in y-direction; we have:


where;
m= mass of the cylinder = 100 kg
= tension in the string = ???
g = acceleration due to gravity = 9.81 m/s²
= acceleration of the cylinder = 
Plugging all values into above equation; we have
(100 × 9.81) -
= 100(-0.125)
= 993.5 N
∴ The tension in the cable
= 993.5 N
From the third diagram, if we consider the equilibrium of forces acting on the cylinder in y-direction on the pulley ; we have:

where ;
= tension in cable 2
Replacing 993.5 N for
; we have


∴ The tension in the cable 
From the fourth diagram, if we consider the equilibrium of forces acting on the cylinder in y-direction on the pulley A ; we have

where;
= tension in cable 1
Replacing 496.75 N for
in the above equation; we have:

= 248.375 N
∴ The tension in the cable
= 248.375 N